服务热线
029-81029973
产品时间:2026-01-07 15:46:19
简要描述:
目录一、概述 二、供货范围和工作范围 三、标准和规范及公用工程条件 四、分析系统具体参数 7五、技术要求 六、分析控制系统的组成及功能 七、分析柜 八、技术服务、验收及质保 九、技术服务和培训检测反应釜置换前和置换后在线分析气体含量设计的在线监测仪器,根据环境不同,可选择不同测量参数,监测系统能准确测量气体含...
目录
九、技术服务和培训
检测反应釜置换前和置换后在线分析气体含量设计的在线监测仪器,根据环境不同,可选择不同测量参数,监测系统能准确测量气体含量,并经由通讯接口,经过计算机控制,也可通过标准模拟信号传送至DCS中控系统,便于使用方使用。
本系统由气体分析仪、预处理、等组成,完成反应釜置换前和置换后气体成分的在线测定,确保实现连续不间断数据监测。
我方提供的在线监测气体分析系统整套以及支持多种通讯方式,不但可以保证企业内部设施运行的安全监控要求,而且可以保证中控部门对现场设备的监督管理。
二、供货范围和工作范围
2.1供货范围
2.1.1 配置单
序号 | 配置名称 | 规格型号 | 数量 | 单位 | 生产厂家 |
1 | 氧气分析仪 | 型号:SP1102 (0-25%) 量程详见仪表介绍 | 1 | 台 | SAIPU AUTOMATIC |
2 | 氧气分析仪 | 型号:SP1102 (0-100ppm) | 1 | 台 | SAIPU AUTOMATIC |
3 | 氢气分析仪 | 型号:SP2101 (0-100%) | 1 | 台 | SAIPU AUTOMATIC |
4 | 露点分析仪 | 型号:SP3200-U (-100~+20℃) | 1 | 台 | SAIPU AUTOMATIC |
5 | 取样单元 | SP-Q | 1 | 套 | SAIPU AUTOMATIC |
6 | 系统机柜 | 600*800*2000(mm) | 1 | 台 | 国产 |
7 | 预处理单元 | SP-Y | 1 | 套 | SAIPU AUTOMATIC |
8 | 标定单元(带减压表) | 铝8L | 3 | 瓶 | 上海神开 |
9 | 备品备件 | 滤芯等 | 1 | 套 | SAIPU AUTOMATIC |
10 | 使用手册资料 | 1 | 套 | SAIPU AUTOMATIC |
2.1.2 预处理单元配置清单
序号 | 配置名称 | 规格型号 | 数量量 | 单位 | 生产厂家 |
1 | 取样阀 | SP-D-10 | 2 | 套 | SAIPU AUTOMATIC |
2 | 微量调节阀 | SP-T-10 | 4 | 套 | SAIPU AUTOMATIC |
3 | 过滤器 | SP-D-17B | 4 | 套 | SAIPU AUTOMATIC |
三通阀 | SP-D-12 | 3 | 套 | SAIPU AUTOMATIC | |
穿板接头 | SP-G-06 | 8 | 套 | SAIPU AUTOMATIC | |
6 | 不锈钢管 | SP-B-06 | 1 | 套 | SAIPU AUTOMATIC |
2.1.3标定单元配置单
气体组份及含量 | 数量 | 体 积 | 压 力 |
标气 | 3瓶 | 铝8L | 10 MPa、带减压阀 |
2.1.4备品备件清单
序号 | 名称 | 规格型号 | 单位 | 数量 | 备注 |
1 | 过滤器滤芯 | 5μ | 个 | 2 | |
2 | 干燥剂 | 500g | 瓶 | 2 | |
3 | 四氟软管 | φ6 | 米 | 5 | |
4 |
工作范围
乙方提供包括设计验收、一次开车保运等方面的全过程服务。
现场采样系统和预处理装置的设计、组装、提供将由乙方负责。
现场公用工程条件的提供和连接将由甲方负责。
乙方负责分析系统属乙方范围内的所有设备材料的设计、组装、安装等。
未尽事宜由双方协商解决
三、标准和规范及公用工程条件
标准和规范
乙方分析系统的设计、制作和安装施工,有关技术文件和图纸,遵循下列标准规范按照已发布的最新版本为准:
● GBJ 236-82 现场设备、工业管道焊接工程施工及验收规范
● GBJ 232-82 电气安装工程施工及验收规范
● GBJ 93-86 工业自动化仪表工程施工及验收规范
● HGJ 229-83 化工设备、管道防腐蚀工程施工及验收规范
● HG 20509-2000 仪表供电设计规定
● HG 20510-2000 仪表供气设计规定
● HG 20516-2000 自动分析器室设计规定
● GB12519-90 分析仪器通用技术条件
● GB11606.1~.17-89 分析仪器环境试验方法
● EEMUA NO.138 在线分析仪系统的设计和安装
● SH 3006 石油化工控制室和自动分析室设计规范
● GB12519-90 分析仪器通用技术条件
3.2 公用工程条件
3.2.1 周围环境
极端最高温度: 50℃
极端最低温度: -20℃
年平均相对湿度: 90 %
年平均大气压: 101kPa
3.2.2 电源
220VAC 50Hz 1KW用于分析仪表,由不间断电源供电;
四、分析系统具体参数
(1)气体预处理组成:
涡旋冷凝器: 3~5℃
雾过滤器: 5um
干燥器: 干燥剂
缓冲器: 5um
(2)仪表参数
SP1102 在线氧气分析仪
在线氧气分析仪:氧气分析仪采用进口电化学、离子流、氧化锆或磁氧传感器,结合先进的MCU技术研发而成的新型智能化工业级气体分析仪。
技术参数
▌测量原理:电化学/氧化锆/离子流/磁氧/台式激光氧
▌测量范围:0-10/100/1000ppm/1%/5%/25%/100%(量程任选)
▌分 辨 率:0.1ppm/1ppm/0.01%/0.1%
▌允许误差:≤±2%F.S
▌重 复 性:≤±2%F.S
▌稳 定 性:零点漂移:≤±2%F.S 量程漂移:≤±2%F.S
▌响应时间:T90≤50S
▌样气流量:400±50ml/min
▌工作电源:100-240V 50/60Hz 1A
▌工作压力:0.1MPa~0.25MPa(相对压力)
▌环境温度:-5℃~+45℃
▌样气温度:0-50℃
▌环境湿度:≤90%RH
▌输出信号:4-20mA/0-5V
▌气路接口:Φ6不锈钢卡套接头(硬管或软管)
▌通讯模式:RS232(标配)/RS485
▌外形尺寸:3U标准-483mm×137mm×350mm(W×H×D)
4U标准-483mm×179mm×380mm(W×H×D)
▌开孔尺寸:3U标准-445mm×135mm(W×H) 4U标准-445mm×177mm(W×H)
仪器特点
▌中英文菜单切换功能,操作直观方便;
▌采用进口燃料电池传感器,具有响应速度快、测量精度 高、校准周期长、抗弱酸的特点;
▌采用独特的保护气路,有效保护传感器,避免传感器因长时间暴露于空气中而影响传感器寿命;
▌内置传感器保护装置和温度补偿传感器,保证传感器使用寿命同时,减小了样气温度和环境的变化对测量精度的影响;
▌整个量程内校准简单方便;
▌数据自动存储功能,用户可随时本地查阅历史数据;嵌入式安装,安装简单维护方便。
订货须知(用户订货时请注明)
▌仪器测量范围
▌测量介质中是否含有酸性气体(如CO2)
▌被测气体压力:正压、微压或负压
▌被测气体主要成分、杂质、硫化物
应用场合:
热电厂、水泥厂、冶金等工艺流程控制设备中以控制燃烧与通风量之间的最佳比例,提高燃烧效率。
SP2101热导式氢气分析仪是我公司研发的新一代热导氢气分析仪,主要用于多元混合气体中的氢气浓度精确测量。其核心部件采用德国原装进口MEMS技术的微型热导式氢气传感器,结合法国进口高性能ARM处理器和完善的生产工艺与检验工艺,使得本机具备非常优异的性能。具备美观大方、测量精度高、响应速度快、稳定性好、使用寿命长、使用方便等特点。其已广泛应用于气体纯化、能源化工、电力电子等行业,得到了广大用户的认可。
技术参数
产品型号:Hydrogen SP2101
产品名称:热导式氢气分析仪
分析气体:多元混合气中氢气
分析原理:热导式
使用寿命:>5年(正常条件下使用)
产品质保:1年
分析量程:0~5|25|100% VOL
分析分辨率:0.01%
测量精度:≦±1%F.S
响应时间:<10秒(T90)
流量范围:0.1~1L/M
使用流量:0.5±0.1 L/M
进出气口:外接Φ6不锈钢管
使用环境温度:-20℃∽50℃
环境湿度:≦90%RH
预热时间:20分钟
样气要求:无腐蚀,无凝结水,无粉尘
数字信号:RS232/RS485(Modbus)
模拟信号:4∽20mA(最大载荷:750欧)
整机功耗:≦5W
工作电压:AC100V~240V 50/60Hz
整机重量:约1.6KG
产品特点
1.采用德国进口热导传感器,测量精度高、响应速度快、用户接口丰富、安装使用方便;2.电路关键电阻全部采用低温漂精密电阻,从而保证了测量结果的精确性与稳定性;
3.通过软件静态补偿或者硬件动态补偿,可消除背景气组分变动对测量结果的影响;
4.数字接口采用国际通用标准MODBUS协议,方便与PLC与计算机等外设进行数据交换;
5.提供工业标准4~20mA模拟接口,最大可接750欧姆负载电阻,且误差极低,电流输出误差不超过30uA。
应用领域
本产品可广泛应用于气体纯化、电力电子、能源化工、科研院校等行业中需要实时监测氢气浓度的领域。
SP3200-U 在线露点仪
在线露点仪:在线露点仪可测量各种气体中微量水分含量,适用于对水分含量有严格控制要求的各种在线分析场合,经济而且通用的解决方案,能够满足各种工业流程的控制要求。
技术参数
▌测量原理:薄膜电容
▌显示方式:128×64点阵LCD
▌测量范围: 标准型:-80 ~ +20℃ 扩充型:-100 ~ +20℃
▌分 辨 率:0.1℃
▌允许误差:≤±2℃
▌重 复 性:≤±1.5℃
▌模拟输出:4-20mA.DC(非隔离输出,负载电阻小于500欧姆)
▌其它输出:RS232(默认)或RS485
▌供电电源:AC170 ~ 265V 50/60Hz
▌工作温度:-10 ~ +50℃
▌采样方式:通入式
▌样气流量:2 ~ 4L/min
▌样气压力:0.05MPa≤入口表压≤0.35MPa
▌背景气体:H2、He、惰性气体、碳氢化合物等混合气体
▌规格尺寸:3U标准-483mm×137mm×350mm(W×H×D)
4U标准-483mm×179mm×380mm(W×H×D)
▌开孔尺寸:3U标准-445mm×135mm(W×H) 4U标准-445mm×177mm(W×H)
▌使用寿命:>12个月(正常使用条件下)
▌气路接口:NPT 1/8内螺纹
▌安装方式:嵌入式
仪器特点
▌友好人机对话菜单,操作直观方便;
▌320 x240图形点阵彩色LCD显示,显示细腻、清晰;
▌自动高精度样气流量控制功能,无需人为干预,气源压力的变化不会影响测量精度及重复性;
▌高精度的温度和压力自动补偿系统,消除环境温度及压力对测量精度带来的误差;
▌根据用户需要,可选配RS232 (默认)或RS485数据通讯接口;
▌测量无须基准气体,不受工作环境氧浓度影响;
▌可以和上位机进行单向或双向通讯。
订货须知(用户订货时请注明)
▌仪器测量范围
▌被测气体压力:正压、微压或负压
▌被测气体主要成分、杂质
应用场合:
广泛用于石油化工、天然气、工业用气体、半导体、干燥工业、食品工业、电力、机械制造、空分、制药等行业气体水份在线测量。
主要技术指标
技术指标 | |
检测气体 检测范围 | O2:0~25% O2:0~100ppm H2:0-100% DP:-100~+20℃ |
采样方式 | 抽取式 |
传感器类型 | 电化学、氧化锆、热导式、氧化铝法(进口露点传感器) |
测量误差 | ±1%F.S |
分辨率 | 0.01% |
响应时间(T90) | ≤10s |
输出信号 | RS485 |
通气流量 | 0.4~0.6L/min |
五、技术要求
5.1 本技术方案满足采购方提出的标准,除提供的符合采购方要求的优质产品以外,所提供产品还满足我国工业标准的要求和具有我国环保行政部门颁发的认定证书及相关部门的各种合格证书。
5.2 本技术方案所使用的标准如与采购方所执行的标准发生矛盾时,按较高标准执行。
5.3 设备名称:反应釜气体组分分析系统
5.4 安装位置:现场
5.5 监测项目:置换前氧气含量和置换后氧气和露点微水含量。
六、分析控制系统的组成及功能
安装位置:反应釜就近放置
型 号:SP2000
组装形式:分析机柜
6.1系统组成和功能说明
6.1.1系统原理
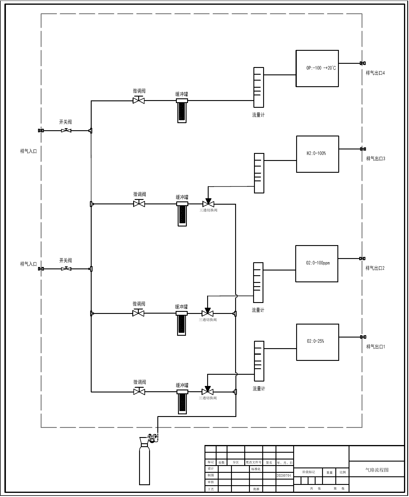
系统由气体分析仪、预处理、取样等组成,完成在线测定,确保实现连续不间断数据监测,可以实施1个点的连续不间断采样,连续性较好,电气自动化程度不高,分析仪采用电化学原理、氧化锆原理、氧化铝薄膜式水分分析技术,完成氧气含量和露点微水含量的监测。样品气通过取样或者现场预留的出气口取样,延长维护周期。
分析系统包括样品预处理系统和分析系统主机等。取样管子接口为6mm卡套。预处理系统包含精密过滤器、切换阀、流量计、除湿干燥器等部件,它的作用是将样气净化到分析仪的分析要求标准,并且有调压系统组成,防止样气压力过大损坏分析仪表。
样品预处理系统安装在仪表机柜内,机箱的温度为常温。与样品接触的材质均为不锈钢或聚四氟乙烯耐腐蚀、分析后的样品气直接大气排放。
6.1.2功能说明
1. 取样管路
取出样品气连接取样管道。
2.过滤器/干燥器
过滤器采用5um高精度滤芯,结构紧凑.结实.质轻,能承受较高的过滤压力,有良好的抗腐蚀性能.
干燥器对水气具有很强的吸附性,系统预处理处理过气体,可能存在有少量的潮气, 有干燥器进一步处理.
七、分析柜
外形尺寸: 600(W)x 600(D)x 2000(H)。
分析柜柜体采用1.5mm冷轧钢板
分析柜有前开门,带视察玻璃
表面处理:喷塑,颜色RAL7035或用户指定
八、技术服务、验收及质保
9.1技术服务
乙方在合同执行过程中,对整套气体分析系统的材料、连接、组装、工艺、整体以及功能进行检验,以保证分析系统的正常运行。在检验过程中,如发现任何不符合技术协议的设备,乙方将及时更换。由此而引起的任何费用都由乙方承担。
9.2验收
乙方供货产品到货后,提供产品中文使用说明书。
乙方供货产品到货后,须由甲乙双方技术员及甲方其他人员现场按技术协议进行验收并确认。
9.3质保期
分析系统的质保期自设备交付投入正常运行之日起计算二年内。
在质保期内,乙方应保证及时免费更换或修理任何非由甲方人员非正常操作而导致的缺陷或故障。
九、技术服务和培训
10.1在技术服务方面,乙方负责处理和解决设计、安装、调试过程发生的技术问题,乙方在质保期内提供免费咨询技术服务。
10.2乙方提供的系统,派工程师上门指导安装、并调试合格,服务工程师免费为甲方培训2~3名合格的技术人员,保证能够胜任该产品的正常使用操作、维护及简单的故障排除、维修。
10.3乙方技术人员在现场工作内容如下:
Ÿ 具备安装条件时,甲方确认通知后24小时内,乙方技术人员到达现场指导现场安装人员安装设备和接线。
Ÿ 负责查线和设备调试,直至能够投运。
Ÿ 当出现现场设备故障时,7x24小时电话咨询支持;如必要,48小时内达到现场提供修护和技术支持。





气路流程图

下一篇:没有了!
Copyright © 2021 西安赛谱自动化仪表技术有限公司 版权所有 备案号:陕ICP备17014870号-1
地址:销售地址:陕西省西安市高新区锦业路6号绿地领海大厦A座506-Y502室 产品技术开发实验室:陕西省西安市高新区瞪羚一路A区8号渭南(西安)创新创业孵化器309室 工厂地址:陕西省西咸新区统一西路众泰电力设备厂区1号 新疆办事处:新疆自治区乌鲁木齐米东区振兴中路1750号万科公园大道5号楼101
电话:029-81029973
邮箱:xaspzdh@163.com

